全国销售热线:
0755-23320593
English
正品保证:
假一赔百
主页
产品中心
技术支持
新闻中心
关于福明
人力资源
联系我们
UV紫光LED灯珠
欧司朗/OSRAM
CREE原装/科锐
LED中小功率灯珠
┗──全彩系列
┗──直插LED
┗──贴片LED
LED大功率灯珠
┗──大功率系列
┗──COB系列
┗──集成系列
┗──倒装COB
解决方案
规格书下载
公司新闻
LED资讯
封装技术
公司简介
企业文化
制造实力
经营理念
员工福利
人才招聘
培训发展
联系我们
常见问题
申请样品
贴片LED
直插LED
全彩系列
产品中心
UV紫光LED灯珠
欧司朗/OSRAM
CREE原装/科锐
LED中小功率灯珠
LED大功率灯珠
LED灯条系列
LED照明产品
销售网络
全国销售热线
0755-23320593
样品申请
样品申请通道
资料下载
下载最新产品信息
手机访问
二维码生成器
CREE原装/科锐
MCE
当前页面:
主页
>
产品中心
>
CREE原装/科锐
>
OSRAM产品介绍
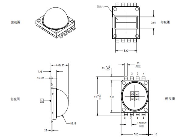
焊盘图
产品特征
深圳市福明光电科技有限公司
地 址:深圳市宝安区石岩镇恒超工业园C栋三楼
电 话:0755-23320593 传真:0755-23320591
销售经理:裴先生 135-3761-6767
业务一部:熊先生 138-2322-7891
业务二部:黄先生 136-1286-8917
角度图
应用
饭店大厅
酒店客房
户外全景图
在线客服
业务经理裴生
业务一部陈生
业务二部熊生
业务二部黄生
公司啊里旺旺
公司电话-传真
微信公众账号